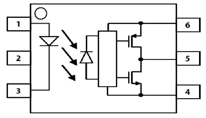
產品 / IGBT光耦(IGBT Optocouplers) / ICPL343
SMD-6封裝,交流隔离电压5000Vrms
工作溫度範圍-40°C至110°C
安裝類型 | 插件/表貼 |
输出设备 | IGBT,MOSFET |
最大正向电压 | 2.4V |
通道数目 | 2 |
针数目 | 6 |
封装类型 | SMD |
输入电流类型 | 直流 |
典型上升时间 | 20ns |
最大输入电流 | 1A(峰值电流) |
隔离电压 | 5000(最小)V 有效值 |
逻辑输出 | 是 |
典型下降时间 | 20ns |
系列 | ICPL343 |
型號 | ICPL343X |
備註 | 型號的X尾碼表示: P,表示:9mm Clearance(管腳間距) W,表示:11mm Clearance(管腳間距) |