產品 / 特殊用途光耦(Special Purpose Optocouplers) / H11L2
DIP-6、SMD-6封裝,交流隔离电压7500Vrms
工作溫度範圍-25°C至85°C
安裝類型 | 插件/貼片 |
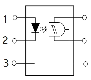
輸出設備 | 施密特觸發器 |
最大正向電壓 | 1.5V |
通道數目 | 1 |
針數目 | 6 |
封裝類型 | MDIP |
輸入電流類型 | 直流 |
典型上升時間 | 0.1µs |
最大輸入電流 | 30 mA |
隔離電壓 | 7500 V 交流 |
典型下降時間 | 0.1µs |
型號 | H11L2,H11L2G,H11L2SM,H11L2SMT&R |
備註 | 型號的尾碼表示: X,表示:符合一些特定的認證標準,詳見Datasheet G,表示:G-FORM型管腳 SM,表示:SMT表面貼裝 T&R,表示:包裝為卷裝 |